| Verfügbarkeitsstatus: | |
|---|---|
| Menge: | |
Die Konstruktion und Herstellung von Elektrozylinder-Aluminiumprofilen durchläuft einen strengen Prozess, um deren Stabilität und Zuverlässigkeit zu gewährleisten.
Die Vorteile des Elektrozylinder-Aluminiumprofils
Geringeres Gewicht . Dadurch kann das Gewicht des gesamten Systems reduziert werden.Dies ist besonders wichtig für Geräte, die bewegt oder aufgehängt werden müssen.Der leichte Aluminiumblock erhöht die Flexibilität und Betriebseffizienz der Geräte.
Korrosionsbeständigkeit. In industriellen Umgebungen sind Geräte häufig einer Vielzahl korrosiver Substanzen wie Wasser, Öl und Chemikalien ausgesetzt.Aluminiumlegierungsmaterial weist eine gute Korrosionsbeständigkeit auf und kann der Erosion dieser korrosiven Substanzen wirksam widerstehen, wodurch die Lebensdauer der Ausrüstung verlängert wird.
Hohe Festigkeit. Aluminiumlegierungsmaterialien weisen eine ausgezeichnete Festigkeit und Steifigkeit auf und können unter hohem Druck und hoher Belastung stabil bleiben.Dies macht Zylinderblöcke aus Aluminium zu einer zuverlässigen Wahl, um den Anforderungen einer Vielzahl industrieller Anwendungen gerecht zu werden.
![]() |
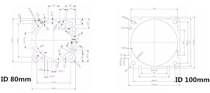
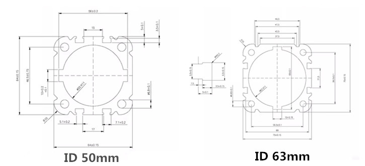
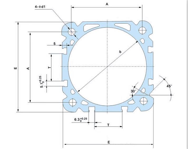
| Artikel | d | E | A | T | 4-Φd1 |
| 1 | Φ32 | 44x44 | 32,5x32,5 | 8.2 | M6 |
| 2 | Φ40 | 51x51 | 38x38 | 11 | M6 |
| 3 | Φ50 | 64x64 | 46,5x46,5 | 17 | M8 |
| 4 | Φ63 | 75x75 | 56,5x56,5 | 26 | M8 |
| 5 | Φ80 | 93x93 | 72x72 | 28 | M10 |
| 6 | Φ100 | 111x111 | 89x89 | 35 | M10 |
| 7 | Φ125 | 134x134 | 110x110 | 55 | M12 |
Die unterschiedliche Zeichnung von Zylinder-Aluminiumprofil
Die Konstruktion und Herstellung von Elektrozylinder-Aluminiumprofilen durchläuft einen strengen Prozess, um deren Stabilität und Zuverlässigkeit zu gewährleisten.
Die Vorteile des Elektrozylinder-Aluminiumprofils
Geringeres Gewicht . Dadurch kann das Gewicht des gesamten Systems reduziert werden.Dies ist besonders wichtig für Geräte, die bewegt oder aufgehängt werden müssen.Der leichte Aluminiumblock erhöht die Flexibilität und Betriebseffizienz der Geräte.
Korrosionsbeständigkeit. In industriellen Umgebungen sind Geräte häufig einer Vielzahl korrosiver Substanzen wie Wasser, Öl und Chemikalien ausgesetzt.Aluminiumlegierungsmaterial weist eine gute Korrosionsbeständigkeit auf und kann der Erosion dieser korrosiven Substanzen wirksam widerstehen, wodurch die Lebensdauer der Ausrüstung verlängert wird.
Hohe Festigkeit. Aluminiumlegierungsmaterialien weisen eine ausgezeichnete Festigkeit und Steifigkeit auf und können unter hohem Druck und hoher Belastung stabil bleiben.Dies macht Zylinderblöcke aus Aluminium zu einer zuverlässigen Wahl, um den Anforderungen einer Vielzahl industrieller Anwendungen gerecht zu werden.
![]() |
| Artikel | d | E | A | T | 4-Φd1 |
| 1 | Φ32 | 44x44 | 32,5x32,5 | 8.2 | M6 |
| 2 | Φ40 | 51x51 | 38x38 | 11 | M6 |
| 3 | Φ50 | 64x64 | 46,5x46,5 | 17 | M8 |
| 4 | Φ63 | 75x75 | 56,5x56,5 | 26 | M8 |
| 5 | Φ80 | 93x93 | 72x72 | 28 | M10 |
| 6 | Φ100 | 111x111 | 89x89 | 35 | M10 |
| 7 | Φ125 | 134x134 | 110x110 | 55 | M12 |
Die unterschiedliche Zeichnung von Zylinder-Aluminiumprofil